Taking Off Quantities Example

Because it involves reading or scaling taking off dimensions from a drawing and entering this information in a standard manner on purpose ruled paper called.
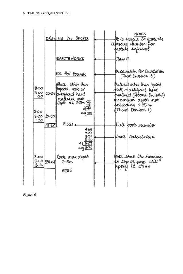
Taking off quantities example. It is essential that the rules are carefully studied before attempting to build up a description in case there is a restriction which would not be apparent by merely assembling descriptive features from the divisions. It includes a variety of trades such as clearing site top soil removing excavation concrete work and masonry works. A simple example would be fabrication waste material that is a material cost to the project. Substructure taking off involves all measurement work up to and including the damp proof course.
You are building a 60 ft x 7 5ft concrete wall. Dimension papertraditional taking off uses dimension paper which is made of a series of columns. Taking off quantities is on of the job role of quantity surveyor. Taking off construction works designing buildings wiki share your construction industry knowledge.
The term taking off refers to the process of identifying elements of construction works that can be measured and priced this is necessary to produce bills of quantities and requires that the design is complete and a specification has been prepared. Quantity take off table 2 4 1 earth works earth works comprises site level. This is an item of work without a measured quantity for example disposing of surface water in excavation work labors on brickwork testing the drainage system etc. 14 taking off quantities.
Taking off quantities is a key skill demanded of a quantity surveyor. The quantification process involves recording dimensions and is referred to as. Introduction to taking off quantities. The design is the diagram below with 9 inch spacing of vertical rebar.
Figure 2 2 shows a sample of the quantity surveying table for quantity take off. Here is a list of substructure taking off according to smm7. Quantities should be shown in standard units. The term taking off refers to the process of identifying elements of construction works that can be measured and priced.
This is necessary to produce bills of quantities and requires that the design is complete and a specification has been prepared. The dotting on system. But the method is more suitable if the offsets of the building are symmetrical. Figure out the steel in the horizontal direction.
Taking off substructure from cutting down trees to topsoil excavation. Calculate the quantity of excavation for the given plan using long wall short wall method. This is another method of taking out quantities for construction estimation. Figure out the lbs of rebar required.